一品楼免费论坛官网,栖凤楼春风阁(全国信息) ,老哥稳全国论坛东莞新茶嫩茶wx,一品楼凤万花楼一品楼ypl免费论坛

用芯智造,伴你同行
Made with the core, with you

SWH-1018 触摸按键板

产品优势:

触摸按键板


板卡外观

1018正面.png

1018正面.jpg


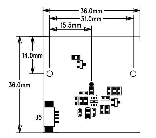
板卡尺寸

1081尺寸.png




板卡接口定义




1018接口描述.png



*以上所列参数、图片及说明仅供参考,如有变动,恕不另行通知。本文档*终解释权归南京欣威视通信息科技股份有限公司所有。
联系我们
服务热线:400-808-1082
业务联系:sales@signway.cn
传真号码:025-83317701
总部地址:南京市雨花台区软件谷科创城C3栋5层
深圳子公司:华丰国际机器人产业园A栋412
证券代码:833050

扫一扫
关注微信公众号

客服
热线

400-808-1082
客户服务热线

关注
微信

关注官方微信 
顶部